Wentylatory wysokotemperaturowe chemoodporne LFS
Promieniowy wentylator niskociśnieniowy o napędzie bezpośrednim.

Przystosowany do transportu powietrza w temperaturze do 150°C (wirnik ocynkowany, wentylator w wersji G HT) lub 200°C (wirnik z kwasoodpornej blachy stalowej, wentylator w wersji AP HT). Wentylatory LFS wykonane są standardowo w figurze LG90. Na indywidualne życzenie klienta urządzenie może być dostarczone w dowolnej figurze RD.
Materiał
Wirnik z łopatkami pochylonymi do przodu, zgrzewany z blachy stalowej kwasoodpornej. Wirnik i silnik wyważane są dynamicznie zgodnie ze standardem ISO 1940. Obudowa z nierdzewnej blachy stalowej, połączona z silnikiem elektrycznym dwuczęściową barierą temperaturową składającą się z tulei mocowania silnika i tarczki dyspersyjnej o dużej zdolności rozpraszania ciepła.
Silnik elektryczny
Wentylatory wyposażone są w asynchroniczne, jednofazowe silniki z kondensatorem 220-240V, 50Hz, lub trójfazowe 220-240V/380-420V, z zewnętrznym wirnikiem i łożyskami kulkowymi zgodne ze standardami IEC 72 i IEC 34-1, o stopniu ochrony IP 55 i klasie izolacji uzwojenia F. Silniki na inne napięcia i częstotliwości, o podwyższonym stopniu ochrony mogą być dostarczone na życzenie.
Wentylatory wyposażone są w asynchroniczne, jednofazowe silniki z kondensatorem 220-240V, 50Hz, lub trójfazowe 220-240V/380-420V, z zewnętrznym wirnikiem i łożyskami kulkowymi zgodne ze standardami IEC 72 i IEC 34-1, o stopniu ochrony IP 55 i klasie izolacji uzwojenia F. Silniki na inne napięcia i częstotliwości, o podwyższonym stopniu ochrony mogą być dostarczone na życzenie.
Zastosowanie
Seria wentylatorów LFS znajduje szerokie zastosowanie w dziedzinach wymagających precyzyjnego dawkowania powietrza oraz dobrej odporności na różnego rodzaju środki chemiczne. Cieszą się popularnością w systemach wentylacji szaf z chemikaliami, czy pomieszczeń znajdujących się w laboratoriach chemicznych. Wykorzystuje się je także w digestoriach, laboratoriach chemicznych. Wykorzystywane one są przy obróbce tworzywa sztucznego, pakowania termokurczliwego.
Charakterystyka
![]() | Charakterystyki pracy wentylatorów chemoodpornych wysokotemperaturowych LFS |
Konstrukcja
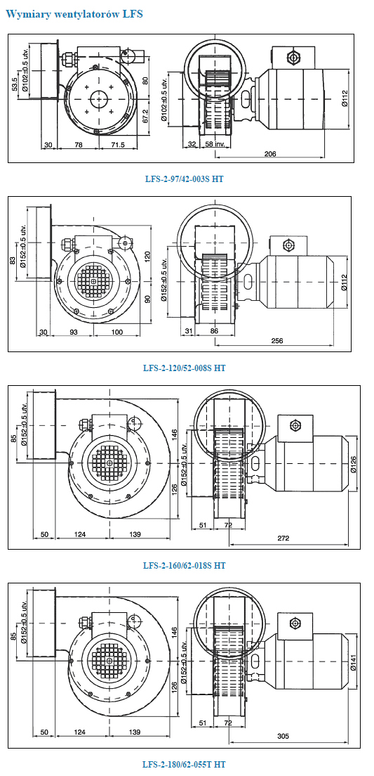
![]() | Wymiary wentylatorów chemoodpornych wysokotemperaturowych LFS |
Dane techniczne
|
Typ
|
Moc
silnika kW |
Napięcie
V |
Natężenie
znamionowe A |
Wydajność
(max) m3/h |
Ciśnienie
(max) Pa |
Masa
kg |
Numer artykułu
|
|
LFS-2-97/42-003S HT
|
0,03
|
230
|
0,40
|
190
|
220
|
4,4
|
45012010
|
|
LFS-2-120/52-008S HT
|
0,08
|
230
|
0,75
|
530
|
360
|
6,0
|
45012020
|
|
LFS-2-160/62-018S HT
|
0,18
|
230
|
1,50
|
860
|
680
|
7,8
|
45012030
|
|
LFS-2-180/62-055T HT
|
0,55
|
230/400
|
4,20/1,35
|
1280
|
1050
|
9,2
|
45012040
|
![]() | Karta katalogowa |



